威客电竞

product
  当前地位 — 蝶阀系列 — 对夹蝶阀
产品名称:

对夹蝶阀

所属分类:

蝶阀系列

产品简介:

D373H、D373Y 型对夹蝶阀选取精密的J形弹性密封圈和三偏疼多档次金属硬密封结构,被宽泛用于介质温度≤425℃的治金、电力、石油化工、以及给排水和市政建设等工业管路上,作调节流量和载断流体使用。

【产品用处】

D373HD373Y 型对夹蝶阀选取精密的J形弹性密封圈和三偏疼多档次金属硬密封结构,被宽泛用于介质温度≤425℃的治金、电力、石油化工、以及给排水和市政建设等工业管路上,作调节流量和载断流体使用。

 

【产品特点】

1、对夹蝶阀选取三偏疼密封结构,阀座与蝶板险些无磨损,拥有越观越紧的密封职能

2、密封圈选用不锈钢造作,拥有金属硬密封和弹性密封的双沉利益,无论在低和善高温的情况下,均拥有优越的密封机能,拥有耐侵蚀,使用寿命长等特点

3、蝶板密封面选取堆焊钴基硬质合金,密封面耐磨损,使用寿命长

4、大规格蝶板选取绗架结构,强度高,过流面积大,流阻幼

5、对夹式硬密封蝶阀拥有双向密封职能,装置时不受介质流向的限度,也不受空间地位的影响,可在职何方向装置

6、驱动装置能够多工位(旋转90°或180°)装置,便于用户使用

【机能参数】

型号

D373H-10C~40

D373H-10P~40

D373Y-10C~40

D373Y-10P~40

工作压力(MPa

1.0~4.0

合用温度(℃)

300

合用介质

水、油品、蒸汽等

资料

阀体、蝶板

铸钢

奥氏体不锈钢

阀杆

40Cr

奥氏体不锈钢

密封面配对资料

不锈钢/不锈钢

不锈钢/司太立

填料

柔性石墨

聚四氟乙烯

 

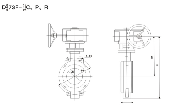
重要表形和衔接尺寸

公称通径DN

重要尺寸

法兰尺寸

1.0MPa

1.6MPa

2.5MPa

L

H1

H

D1

n-Φd

D1

n-Φd

D1

n-Φd

50

43

255

340

125

4-18

125

4-18

125

4-18

65

46

280

370

145

4-18

145

4-18

145

4-18

80

49

285

385

160

4-18

160

4-18

160

4-18

100

56

310

430

180

4-18

180

4-18

190

4-22

125

64

310

440

210

4-18

210

4-18

220

4-26

150

70

315

475

240

4-23

240

4-22

250

4-26

200

71

380

590

295

4-23

295

4-22

310

4-26

250

76

460

710

350

4-23

355

4-26

370

4-30

300

83

475

725

400

4-23

410

4-26

430

4-30

350

92

510

830

460

4-23

470

4-26

490

4-33

400

102

550

900

515

4-25

525

4-30

550

4-36

450

114

590

970

565

4-25

585

4-30

600

4-36

500

127

610

1030

620

4-25

650

4-33

660

4-36

600

154

660

1150

725

4-30

770

4-36

770

4-39

700

165

730

1220

840

4-30

840

4-36

875

4-42

800

190

810

1300

950

4-34

950

4-39

990

4-48

900

203

930

1480

1050

4-34

1050

4-39

1090

4-48

1000

216

1020

1600

1160

4-34

1170

4-42

1210

4-56

 

结构图片

 威客电竞·VKGAME(中国区)官方网站

在线征询

若是您对报价或合作有任何疑难,请随时通过以下电子邮件与我们联系 或使用以下查问表格。 威客电竞销售代表将在24幼时内与您联系。 感激你对我们产品感兴致。

【网站地图】