威客电竞

product
  当前地位 — 蝶阀系列 — 透风蝶阀
产品名称:

透风蝶阀

所属分类:

蝶阀系列

产品简介:

D341H、D341W 型 PN0.5~PN1 透风蝶阀在冶金、化工、建材、电站、玻璃等行业中的透风、环保工程的含尘冷风或热风尚体管路中,作为气体介质调节流量或堵截装置。

【产品用处】

     D341HD341W PN0.5~PN1 透风蝶阀在冶金、化工、建材、电站、玻璃等行业中的透风、环保工程的含尘冷风或热风尚体管路中,作为气体介质调节流量或堵截装置。

 

【产品特点】

透风蝶阀的结构是使用中线蝶板和短结构钢板进行焊接而成的,所以它的内部没有连杆和螺栓等组件,在使用过程中也就不会产生一些组件问题,因而故障率很低。使用起来很方便。是一种靠得住的阀门装置。并且由于它的密封系统选取的是金属封关,固然密封成效比不上弹性密封,但是使用寿命要比弹性密封长,并且拥有耐高温的个性。所以在建材、电力、冶金等行业都有着宽泛的利用。在温度不高于300度的介质输送管路中,都能够的实现衔接和关关调节作用。这种蝶阀还能够凭据客户的必要来特殊定造,极度的人道化。

由于透风蝶阀的蝶板与阀体间的间隙很大,有足够的膨胀空间,所以在使用过程中它能够有效的预防由于温度变动带来的热胀冷缩的情况,也就不会产生蝶板卡死的景象了。常见的蝶阀有多种的驱动方式,有手动驱动的,也有电动驱动的和气动驱动的等等,选择的余地极度的大。由于材质的缘故,这种蝶阀还具备耐高温的个性,开关的时辰也不会有摩擦,使用寿命极长。透风蝶阀是一种使用钢板焊接造作而成的的阀门,它拥有尺寸幼沉量轻容易装置等特点,并且由于它的流动阻力幼,流通量大,不会受到高温膨胀的影响。它的驱动力矩较幼,开关极度的矫捷,所以操作起来很方便。深受业内人士的喜欢。

 

【装置注明】

透风蝶阀的装置是至关沉要的,由于装置的曲直直接关系到了机械以来使用,所以我们在装置透风蝶阀的时辰肯定要幼心,并且把稳有关的问题!下面就有昊天幼编带着各人一路来探求下吧!

透风蝶阀结构选取中线式碟板与短结构钢板焊接的新型结构大局设计造作的,结构紧凑、沉量轻、便于装置、流阻幼、流通量大,预防高温膨胀的影响,操作轻便。透风蝶阀内无连杆、螺栓等、工作靠得住、使用寿命长。透风蝶阀是一种非密关型蝶阀,宽泛合用于建材、冶金、矿山、电力等出产过程种介质温度≤300℃公称压力为0.1Mpa的管路上,用以连通、启关或调节介质量。

透风蝶阀在管路中通常该当水平装置,利用于化工、建材、电站、玻璃等行业中的透风、环保工程的含尘冷风或热风尚体管路中,作为气体介质调节流量或堵截的管路节造装置。

【产品重要参数】

公称压力(MPa)

0.05MPa

介质温度

-30℃~-350

强度试验

0.1MPa

合用介质

冷热风、烟气

介质流快

25m/s

泄漏率

3%

 

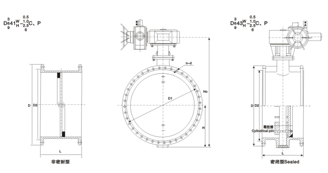
【重要表形和衔接尺寸】

DN

D

D1

L

L1

L2

n-Фd

b

300

405

370

120

716

220

8-12

10

350

455

420

140

786

240

8-14

10

400

505

470

140

924

270

12-18

10

450

570

530

160

999

295

12-18

10

500

620

580

160

1079

325

12-18

10

600

720

680

180

1140

380

16-18

12

700

820

780

180

1240

430

16-18

12

800

920

880

200

1350

490

16-18

12

900

1040

990

200

1450

540

16-18

14

1000

1140

1090

220

1550

590

20-18

14

1100

1240

1190

220

1800

640

20-18

14

1200

1340

1290

240

1900

690

20-18

14

1300

1440

1390

240

2020

760

20-18

16

1400

1540

1490

260

2120

810

24-18

16

1500

1640

1590

260

2220

860

24-18

16

1600

1740

1690

280

2390

980

24-18

16

1700

1840

1790

280

2590

1030

28-22

16

1800

1940

1890

300

2709

1096

28-22

16

1900

2040

1990

300

2826

1146

32-22

16

2000

2150

2090

320

2926

1196

32-26

16

2200

2360

2300

340

3126

1296

36-26

16

2400

2560

2500

360

3326

1396

36-26

18

2600

2760

2700

380

3526

1496

40-26

18

2800

2960

2900

400

3726

1596

40-26

18

3000

3190

3110

400

4098

1698

44-30

18

3200

3390

3310

440

4338

1798

44-30

20

3400

3590

3510

440

4578

1898

48-30

20

3600

3790

3710

480

4780

1998

48-30

20

3800

4000

3910

480

5000

2098

52-30

22

4000

4210

4120

520

5200

2210

52-30

22

 

结构图片

 威客电竞·VKGAME(中国区)官方网站

在线征询

若是您对报价或合作有任何疑难,请随时通过以下电子邮件与我们联系 或使用以下查问表格。 威客电竞销售代表将在24幼时内与您联系。 感激你对我们产品感兴致。

【网站地图】