
【产品用处】
H44H、H44Y 型 PN16~PN250 旋启式止回阀合用于压力 1.6~25MPa 工作温度 -29~+550℃ 的石油、化工、造药、化肥、电力行业等各类工况的管路上,合用介质为水、油品、蒸汽、酸性介质等。
【产品特点】
H44H、H44Y 型旋启式止回阀是靠管路中介质自身的流动产生的力而自动开启和关关的,属于一种自动阀门。止回阀用于管路系统,其重要作用是预防介质倒流、预防泵及其驱动电机机回转,以及容器内介质的泄放。止回阀还可用于给其中的压力可能升至超过主系统压力的辅助系统提供补给的管路上。
【机能参数】
|
型号 |
H44H-16C~250 |
H44W-16P~250 |
|
|
工作压力(MPa) |
1.6~25 |
||
|
合用温度(℃) |
≤425 |
≤550 |
|
|
合用介质 |
水、蒸汽、油品 |
弱侵蚀性介质 |
|
|
资料 |
阀体、阀盖、阀瓣 |
碳素钢 |
铬镍钛不锈钢 |
|
密封面 |
碳钢堆焊铁基合金 |
本体密封 |
|
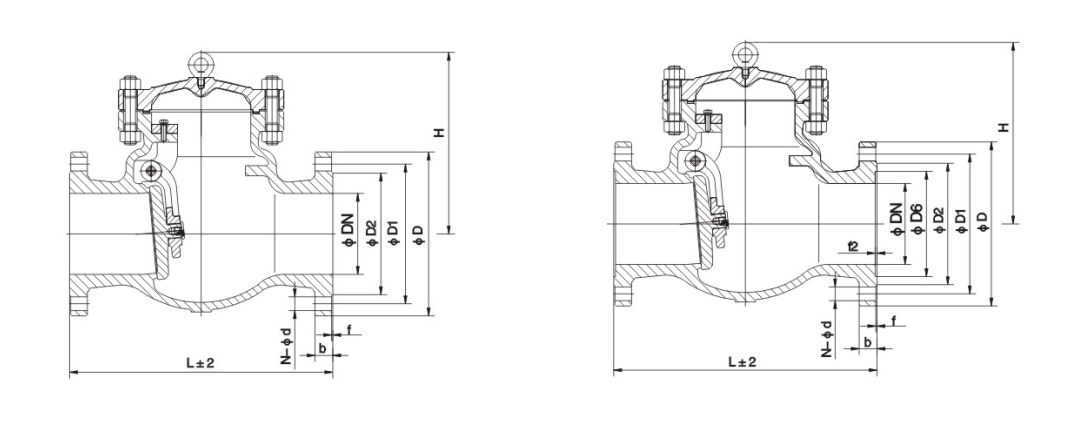
【重要表形和衔接尺寸】
|
公称通径DN |
重要表形尺寸和衔接尺寸 |
||||||
|
L |
D |
D1 |
D2 |
b |
Z-d |
H |
|
|
H44H-16C H44W-16C H44W-16P H44W-16R H44W-16I |
|||||||
|
25 |
160 |
115 |
85 |
65 |
16 |
4-14 |
100 |
|
32 |
180 |
135 |
100 |
78 |
16 |
4-18 |
105 |
|
40 |
200 |
145 |
100 |
85 |
16 |
4-18 |
115 |
|
50 |
230 |
160 |
125 |
100 |
16 |
4-18 |
135 |
|
65 |
290 |
180 |
145 |
120 |
18 |
4-18 |
142 |
|
80 |
310 |
195 |
160 |
135 |
20 |
8-18 |
165 |
|
100 |
350 |
215 |
180 |
155 |
20 |
8-18 |
180 |
|
125 |
400 |
245 |
210 |
185 |
22 |
8-18 |
210 |
|
150 |
480 |
280 |
240 |
210 |
24 |
8-23 |
233 |
|
200 |
500 |
335 |
295 |
265 |
26 |
12-23 |
304 |
|
250 |
550 |
405 |
355 |
320 |
30 |
12-25 |
348 |
|
300 |
650 |
460 |
410 |
375 |
30 |
12-25 |
390 |
|
350 |
750 |
520 |
470 |
435 |
34 |
16-25 |
430 |
|
400 |
850 |
580 |
525 |
485 |
36 |
16-30 |
468 |
|
H44H-25 H44W-25 H44W-25P H44W-25R H44W-25I |
|||||||
|
25 |
160 |
115 |
85 |
65 |
16 |
4-14 |
100 |
|
32 |
180 |
135 |
100 |
78 |
16 |
4-18 |
105 |
|
40 |
200 |
145 |
110 |
85 |
16 |
4-18 |
115 |
|
50 |
230 |
160 |
125 |
100 |
20 |
4-18 |
160 |
|
65 |
290 |
180 |
145 |
120 |
22 |
8-18 |
175 |
|
80 |
310 |
195 |
160 |
135 |
22 |
8-18 |
185 |
|
100 |
350 |
230 |
190 |
160 |
24 |
8-23 |
220 |
|
125 |
400 |
270 |
220 |
188 |
28 |
8-25 |
248 |
|
150 |
480 |
300 |
250 |
218 |
30 |
8-25 |
276 |
|
200 |
550 |
360 |
310 |
278 |
34 |
12-25 |
350 |
|
250 |
650 |
425 |
370 |
332 |
36 |
12-30 |
410 |
|
300 |
750 |
485 |
430 |
390 |
40 |
16-30 |
430 |
|
350 |
850 |
550 |
490 |
448 |
44 |
16-34 |
518 |
|
400 |
950 |
610 |
550 |
505 |
48 |
16-34 |
560 |
【结构图片】