
【产品用处】
H41H、H41Y 型 PN16~PN100 起落式止回阀是出产过程调节系统中的沉要环节之一,是节造管路内介质单向流向的阀门,阻止介质倒流。
【产品特点】
1、H41H、H41Y 型起落式止回阀拥有结构单一,作为靠得住,维建方便蹬着点,宽泛利用于净化设备、石油、化工、冶金、电力、轻纺等出产过程中
2、当介质由阀体箭头所示流向进入阀体,介质的压力作用在阀瓣上产生向上的推力,当介质推力大于阀瓣沉力时,阀门打开。当阀后介质压力作用在阀瓣上的力加上阀瓣自身沉力大于阀前压力作用在阀瓣上的力时,阀门关关,阻止介质倒流
【机能参数】
|
型号 |
H41H-16C~100 |
H41Y-16C~100 |
H41W-16P~100 |
|
|
工作压力(MPa) |
1.6~10.0 |
|||
|
合用温度(℃) |
≤425 |
≤150 |
||
|
合用介质 |
水、蒸汽、油品 |
弱腐蚀性介质 |
||
|
资料 |
阀体、阀盖 |
碳钢 |
铬镍钛不锈钢 |
|
|
密封面 |
堆焊铬不锈钢 |
堆焊硬质合金 |
铬镍钛不锈钢 |
|
|
垫片 |
钢带石墨参缠绕 |
聚四氟乙烯 |
||
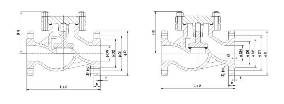
【重要表形和衔接尺寸】
|
公称通径 |
重要表形尺寸和衔接尺寸 |
||||||
|
L |
D |
D1 |
D2 |
b |
Z-d |
H |
|
|
H41H-16C H41W-16C H41W-16P H41W-16R H41W-16I |
|||||||
|
15 |
130 |
95 |
65 |
45 |
14 |
4-14 |
77 |
|
20 |
150 |
105 |
75 |
55 |
14 |
4-14 |
77 |
|
25 |
160 |
115 |
85 |
65 |
14 |
4-14 |
80 |
|
32 |
180 |
135 |
100 |
75 |
16 |
4-18 |
85 |
|
40 |
200 |
145 |
110 |
85 |
16 |
4-18 |
95 |
|
50 |
230 |
160 |
125 |
100 |
16 |
4-18 |
105 |
|
65 |
290 |
180 |
145 |
120 |
18 |
4-18 |
120 |
|
80 |
310 |
195 |
160 |
135 |
20 |
8-18 |
130 |
|
100 |
350 |
215 |
180 |
155 |
20 |
8-18 |
140 |
|
125 |
400 |
245 |
210 |
185 |
22 |
8-18 |
155 |
|
150 |
480 |
280 |
240 |
210 |
24 |
8-23 |
180 |
|
200 |
600 |
335 |
295 |
265 |
26 |
12-23 |
215 |
|
250 |
730 |
405 |
355 |
320 |
30 |
12-25 |
260 |
|
300 |
850 |
460 |
410 |
375 |
34 |
12-25 |
315 |
|
H41H-25 H41W-25 H41W-25P H41W-25R H41W-25I |
|||||||
|
15 |
130 |
95 |
65 |
45 |
16 |
4-14 |
100 |
|
20 |
150 |
105 |
75 |
55 |
16 |
4-14 |
105 |
|
25 |
160 |
115 |
85 |
65 |
16 |
4-14 |
120 |
|
32 |
180 |
135 |
100 |
78 |
18 |
4-18 |
130 |
|
40 |
200 |
145 |
110 |
85 |
18 |
4-18 |
135 |
|
50 |
230 |
160 |
125 |
100 |
20 |
4-18 |
149 |
|
65 |
290 |
180 |
145 |
120 |
22 |
8-18 |
160 |
|
80 |
310 |
195 |
160 |
135 |
22 |
8-18 |
169 |
|
100 |
350 |
230 |
190 |
160 |
24 |
8-23 |
194 |
|
125 |
400 |
270 |
220 |
180 |
28 |
8-25 |
222 |
|
150 |
480 |
300 |
250 |
218 |
30 |
8-25 |
255 |
|
200 |
600 |
360 |
310 |
278 |
34 |
12-25 |
305 |
|
250 |
730 |
425 |
370 |
332 |
36 |
12-30 |
355 |
|
300 |
850 |
485 |
430 |
390 |
40 |
16-30 |
410 |
【结构图片】